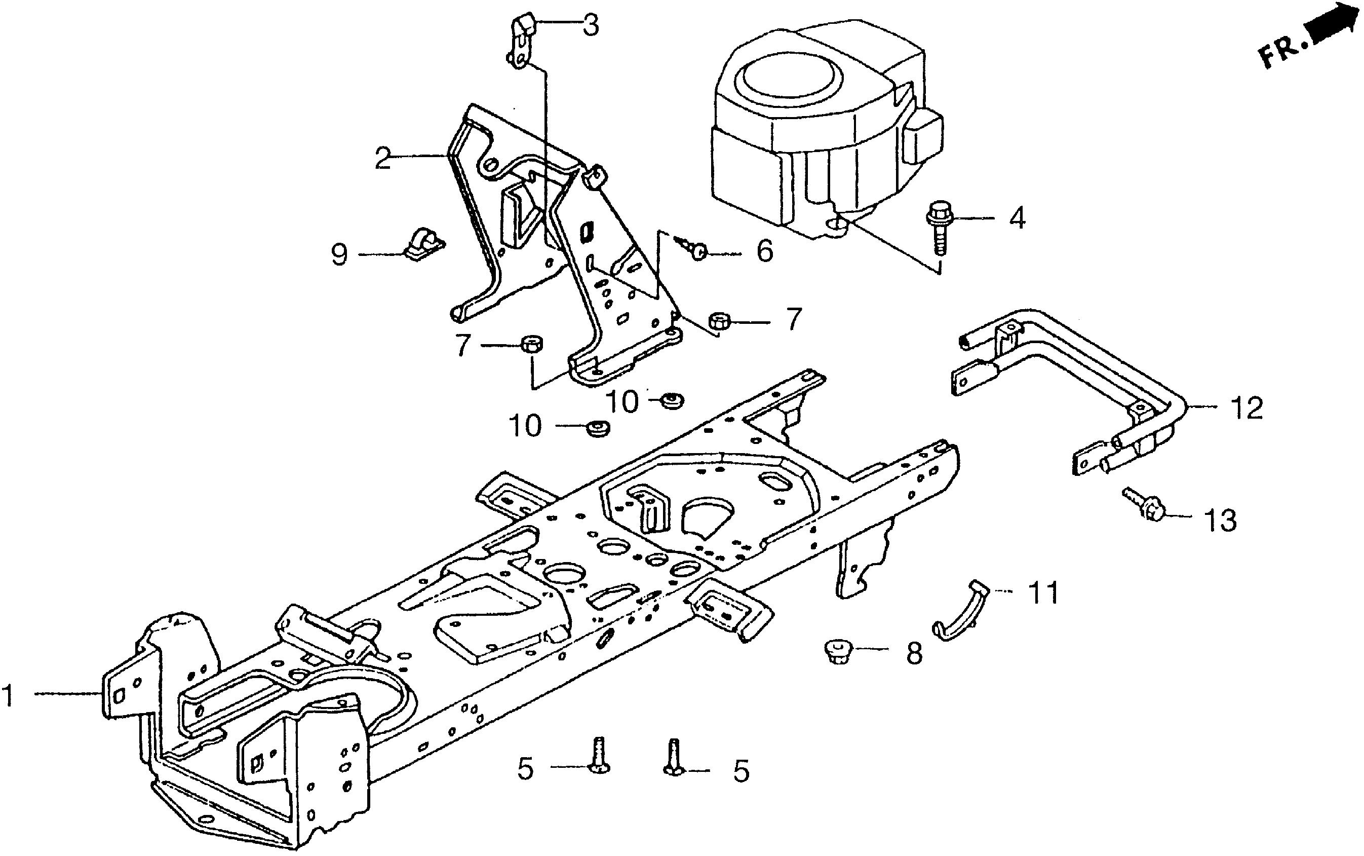
Lawn Tractor HA HA4120 HA4120 H48A MZCJ-6000001-9999999 FRAME - Ace Hardware & Garden Center

Ref No
Part Number
Description
Serial Range
Qty
Price

Ref No
1
Part Number
50100-V09-A01
Description
FRAME, MAIN
Serial Range
1000001 - 9999999
Qty
Price
$340.52

Ref No
2
Part Number
53210-V09-A01
Description
COLUMN, STEERING
Serial Range
1000001 - 9999999
Qty
Price
$217.42

Ref No
3
Part Number
60191-V09-A01
Description
LOCK, HOOD
Serial Range
1000001 - 9999999
Qty
Price
$1.86

Ref No
4
Part Number
90103-V09-A01
Description
BOLT, FLANGE (8X45)
Serial Range
1000001 - 9999999
Qty
Price
$1.24

Ref No
5
Part Number
90105-V09-A01
Description
BOLT, CARRIAGE (8X16) (NOT AVAILABLE)
Serial Range
1000001 - 9999999

Ref No
6
Part Number
90107-V09-A01
Description
SCREW B, TAPPING
Serial Range
1000001 - 9999999
Qty
Price
$4.44

Ref No
7
Part Number
90301-V09-A01
Description
NUT, FLANGE (8MM)
Serial Range
1000001 - 9999999
Qty
Price
$1.78

Ref No
8
Part Number
90302-V09-A01
Description
NUT A, LOCK (8MM)
Serial Range
1000001 - 9999999
Qty
Price
$2.48

Ref No
9
Part Number
90653-V09-A01
Description
CLIP, WIRE
Serial Range
1000001 - 9999999
Qty
Price
$6.74

Ref No
10
Part Number
91151-V09-A01
Description
RETAINER, FRAME (NA USE ALT:06814-V09-D01)
Serial Range
1000001 - 9999999

Ref No
11
Part Number
32902-V09-A01
Description
TIE, DRAIN HOSE
Serial Range
1000001 - 9999999
Qty
Price
$1.46

Ref No
12
Part Number
51120-V09-A01
Description
GUARD, FR. (NOT AVAILABLE)
Serial Range
1000001 - 9999999

Ref No
13
Part Number
90102-V09-A01
Description
BOLT, FLANGE (8X16) (19M7867)
Serial Range
1000001 - 9999999