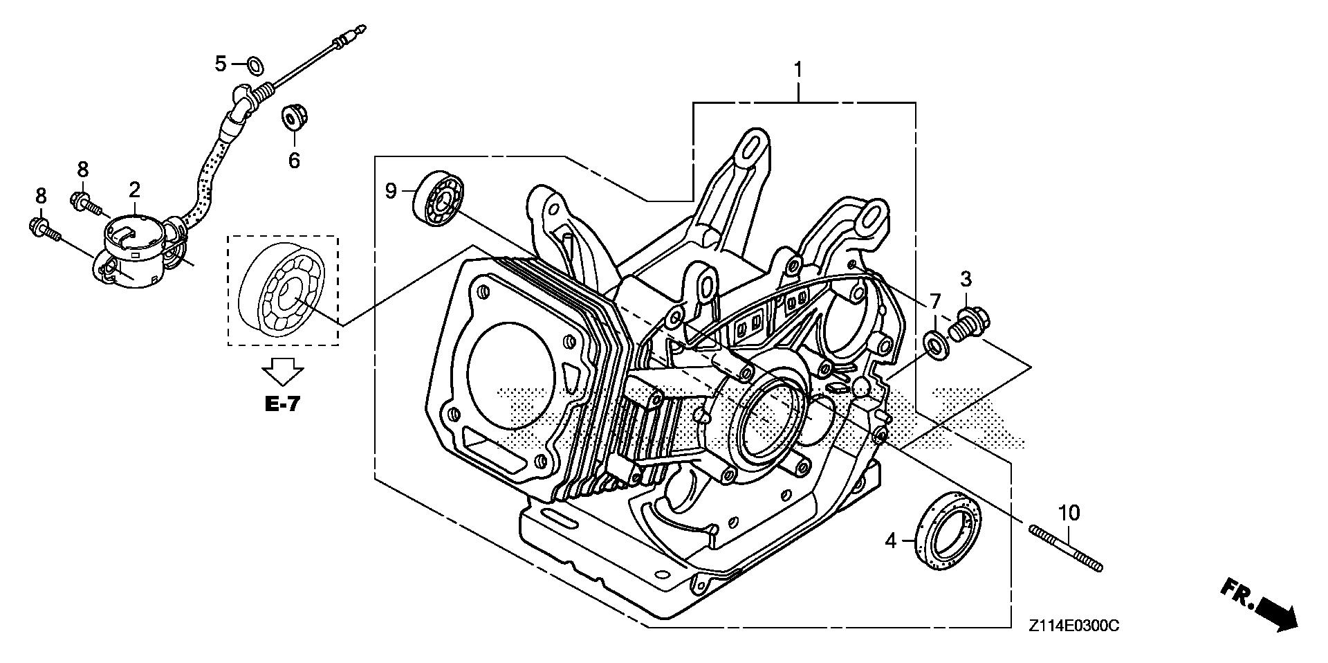
Generators EB EB5000 EB5000I A EALJ-1000001-9999999 CYLINDER - Ace Hardware & Garden Center

Ref No
Part Number
Description
Serial Range
Qty
Price

Ref No
1
Part Number
12000-ZK3-405
Description
CYLINDER ASSY.
Serial Range
4179880 - 9999999
Qty
Price
$775.70

Ref No
2
Part Number
35480-ZF6-003
Description
SWITCH ASSY., OIL LEVEL
Serial Range
1000001 - 9999999
Qty
Price
$66.40

Ref No
3
Part Number
90131-896-650
Description
BOLT, DRAIN PLUG (12X15)
Serial Range
1000001 - 9999999

Ref No
4
Part Number
91201-ZE3-004
Description
OIL SEAL (35X52X8)
Serial Range
1000001 - 9999999
Qty
Price
$10.62

Ref No
5
Part Number
91353-671-003
Description
O-RING (13.5X1.5) (ARAI)
Serial Range
1000001 - 9999999
Qty
Price
$3.50

Ref No
6
Part Number
94050-10000
Description
NUT, FLANGE (10MM)
Serial Range
1000001 - 9999999

Ref No
7
Part Number
94109-12000
Description
WASHER, DRAIN PLUG (12MM)
Serial Range
1000001 - 9999999
Qty
Price
$1.50

Ref No
8
Part Number
95701-06012-00
Description
BOLT, FLANGE (6X12)
Serial Range
1000001 - 9999999
Qty
Price
$1.98

Ref No
9
Part Number
96100-62020-00
Description
BEARING, RADIAL BALL (6202)
Serial Range
1000001 - 9999999

Ref No
10
Part Number
90045-ZG1-750
Description
BOLT, STUD (6X30)
Serial Range
1000001 - 9999999
Qty
Price
$3.68